XY-Axis Slide Guide:KYS18200

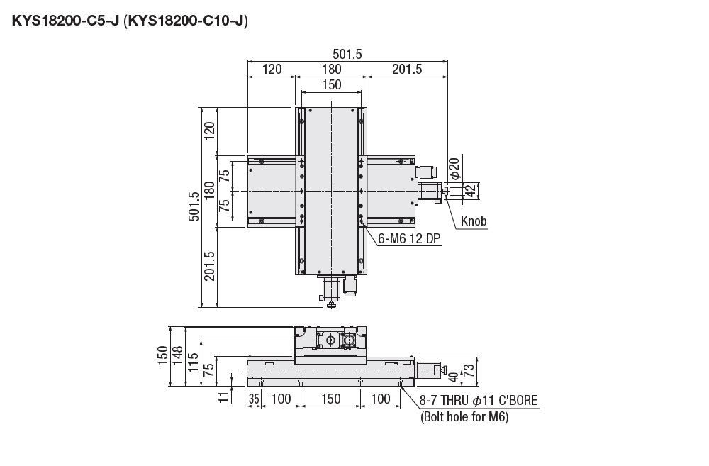
Dimensions

Model configuration/Option code

Electrical specifications/cable connection diagram

Grease change

【Accuracy Guarantee】
<Grease for Clean room>
・Since viscous resistance of grease increases, it becomes difficult for this grease to fulfill the same specification of standard grease type described on catalog.
・Furthermore, it tends to have bad tracking of micro-step feeding.
・The guaranteed accuracy value is 1.5 times the stopping performance of the standard grease type.
・Since the CAVE-X series, KXT series, and KXS series are standard for clean environments (AFF), we guarantee the accuracy of the specifications listed on each product page.
【Accuracy Guarantee】
<Grease for Vacuum>
・Shipping accuracy may vary due to grease viscous resistance, etc.
・Specs posted on each product introduction page are not guaranteed.
【Grease change spot】
・Guides and bearings (excluding bearings with seals and support units)
・Ball screw

※Ball screw, guide and bearing (bearing without seals only) are processed with coating after cleansing in plant.
※Grease change of stepping motor is not available.
Page top