Motorless(Straight):SX20

-Results

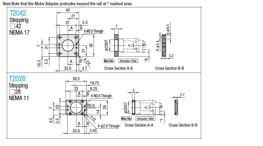
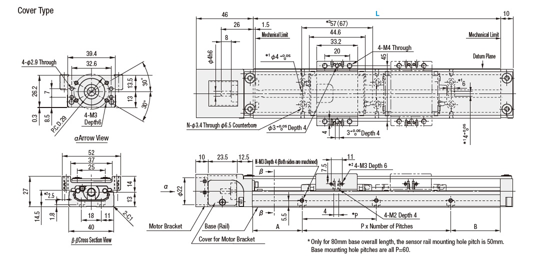
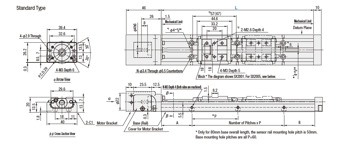
Dimensions

Motor attachment

Sensor

Page top