Motorless X-AxisLinear Ball Guide:PG650V

-Results

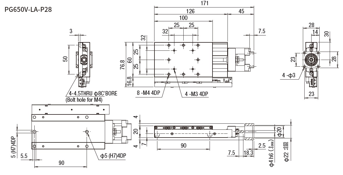
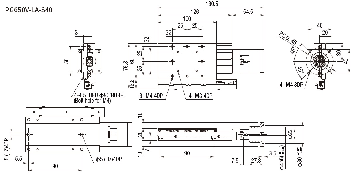
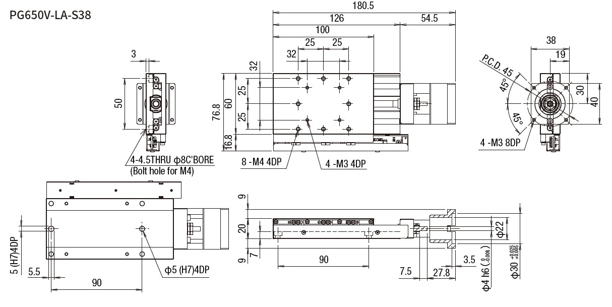
Dimensions

Model configuration/Option code

Precautions for handling motorless products

Page top