Motorless X-AxisLinear Ball Guide:KXG06020V

-Results

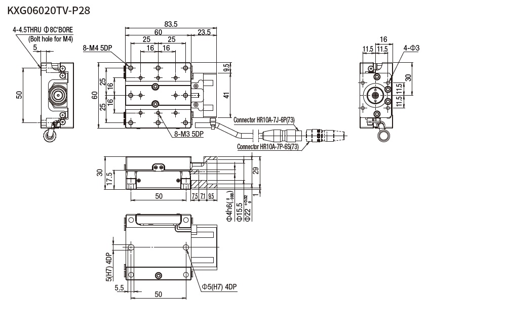
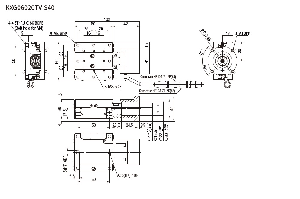
Dimensions

Model configuration/Option code

Precautions for handling motorless products

Page top