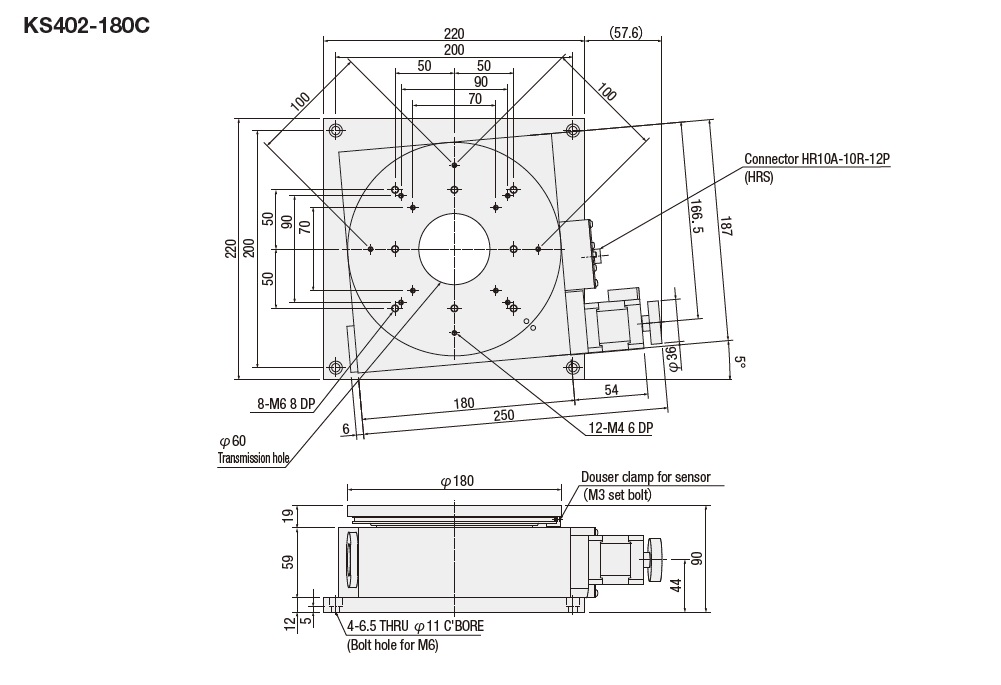
Rotation Worm gear:KS402-180C

Page top