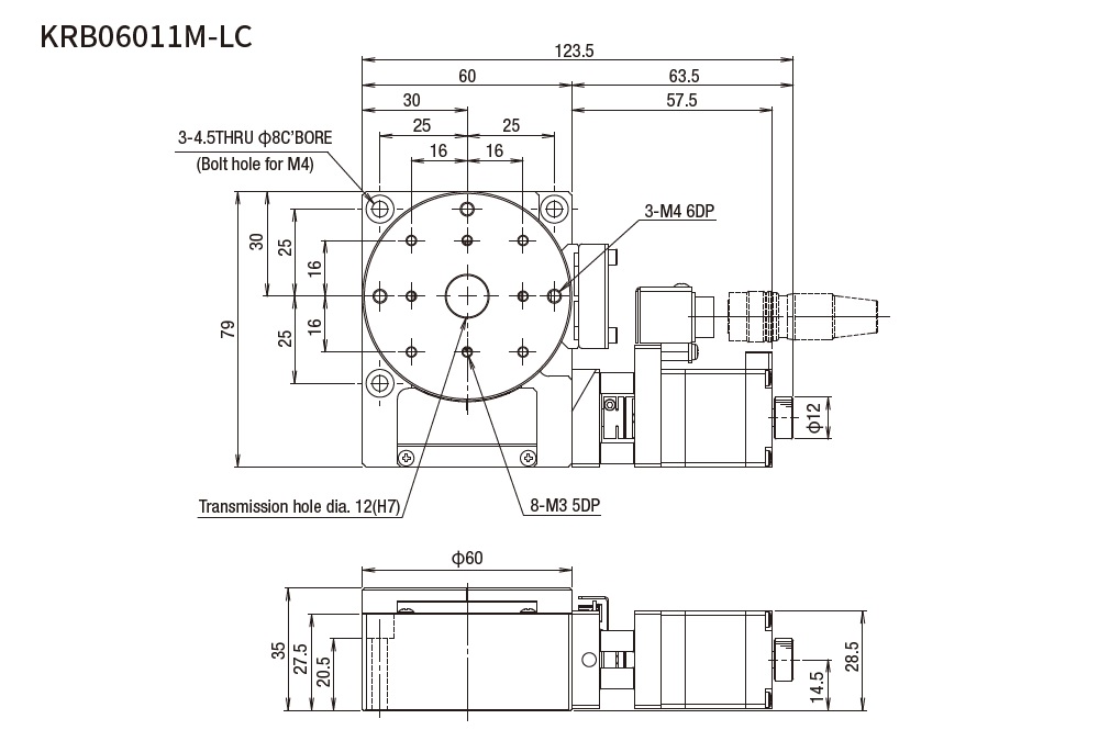
Rotation Ball Screw:KRB06011C

Page top