Motorized Rotation Fiber Holder(Without Adsorption):FS266N

-Results

Model configuration/Option code

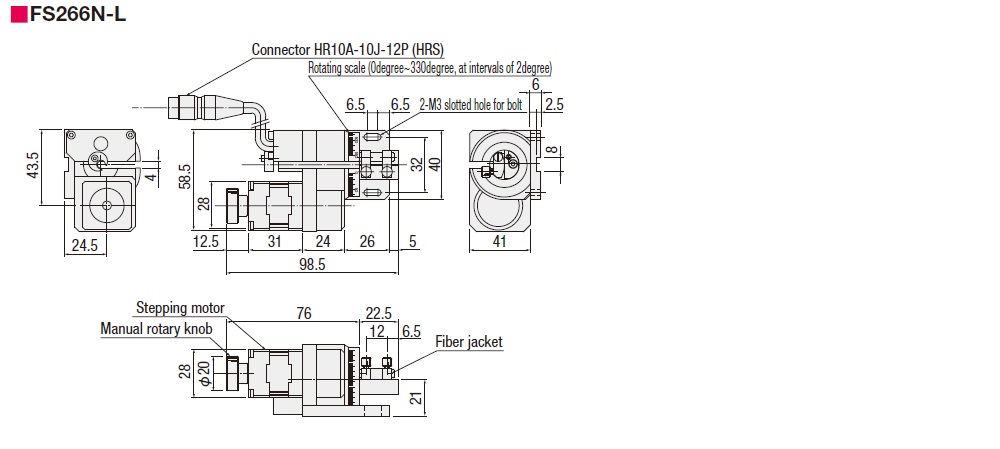
Dimensions

Page top