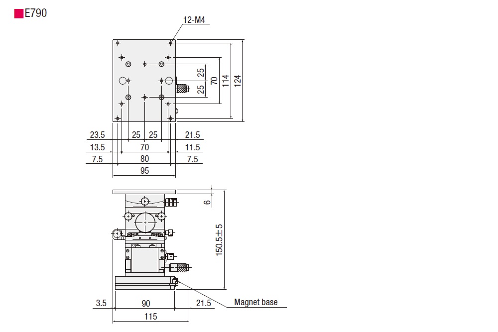
End face observation unit(for zoom head): E790

-Results

Dimensions

Page top