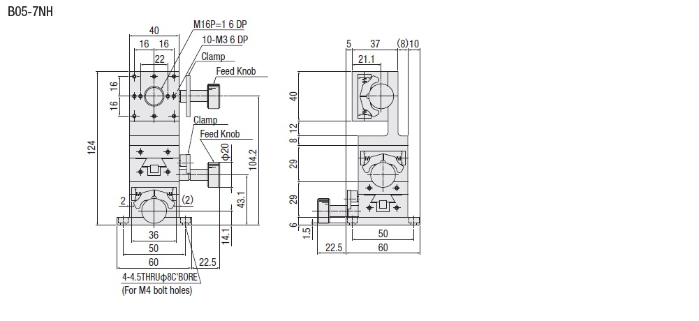
XYZ-Axis DovetailRack and pinion□40mm

-Results

Dimensions

Page top