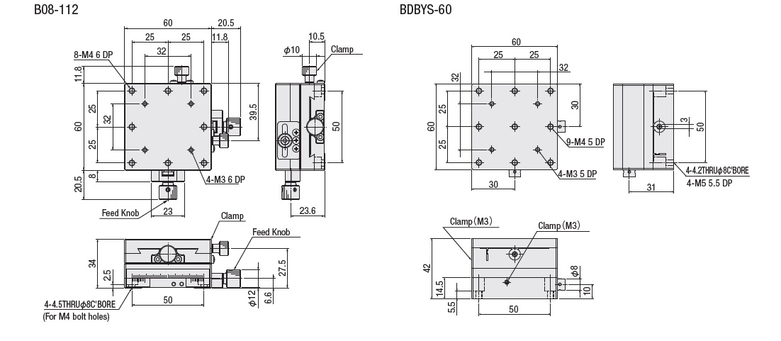
XY-Axis DovetailFeeding screw (Short Lead)□60mm

-Results

Dimensions

Page top