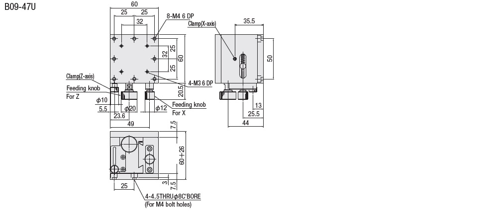
Horizontal XZ-Axis Dovetail□60mm Composite - Rack and pinion - Feeding screw

-Results

Dimensions

Page top