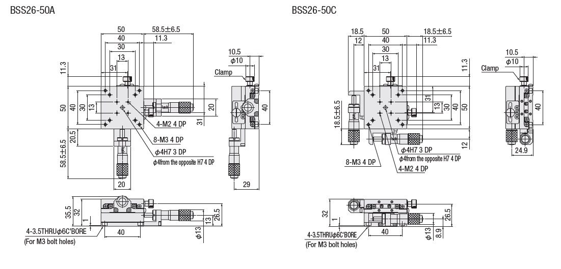
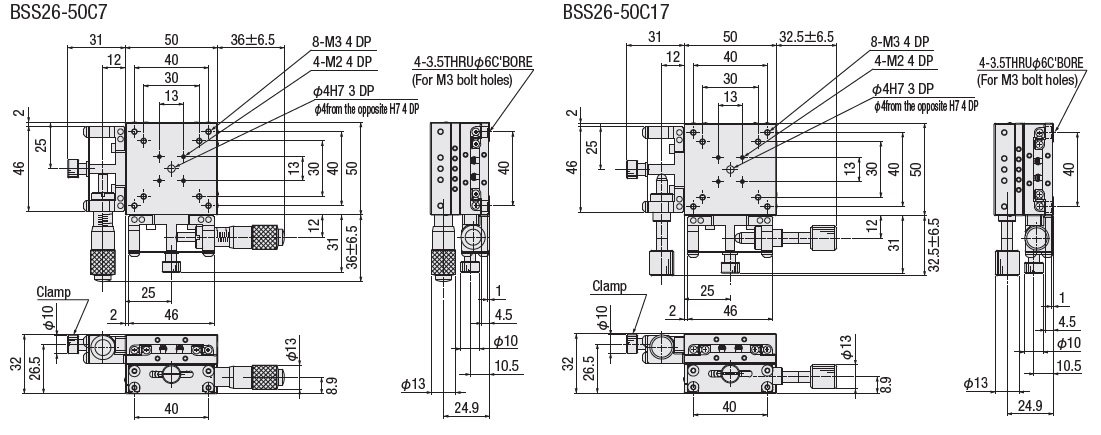
XY-AxisLinear Ball Guide□50mm:BSS26-50

-Results

Dimensions

Dimensions

Page top