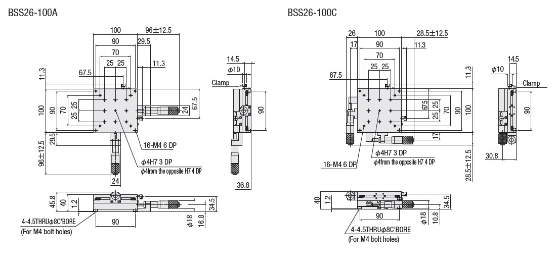
XY-AxisLinear Ball Guide□100mm:BSS26-100

-Results

Dimensions

Page top