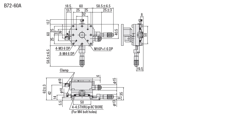
Horizontal XYZ-Axis Thin TypeCross Roller Guide□60mm:B72-60

-Results

Dimensions

Page top