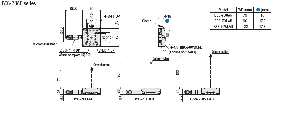
Cross RollerGoniometer Stage□70mm:B58-70(Micrometer)

-Results

Dimensions

Page top