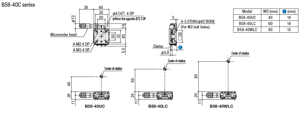
Cross RollerGoniometer Stage□40mm:B58-40(Micrometer)

-Results

Dimensions

Page top