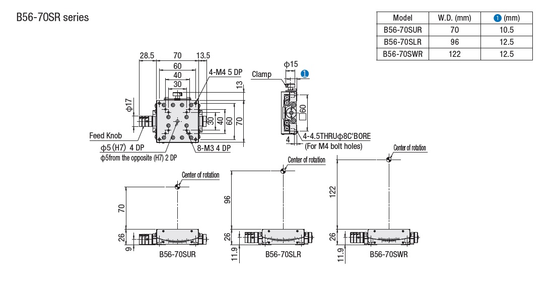
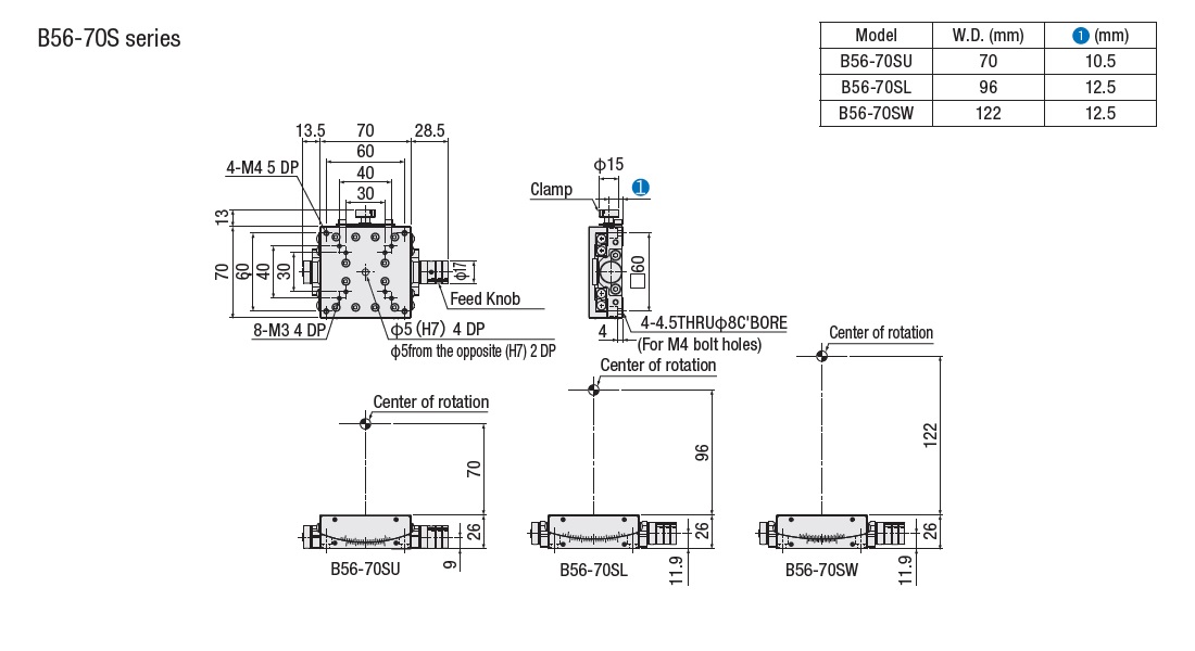
Cross RollerGoniometer Stage□70mm:B56-70S(Worm gear)

-Results

Dimensions

Page top