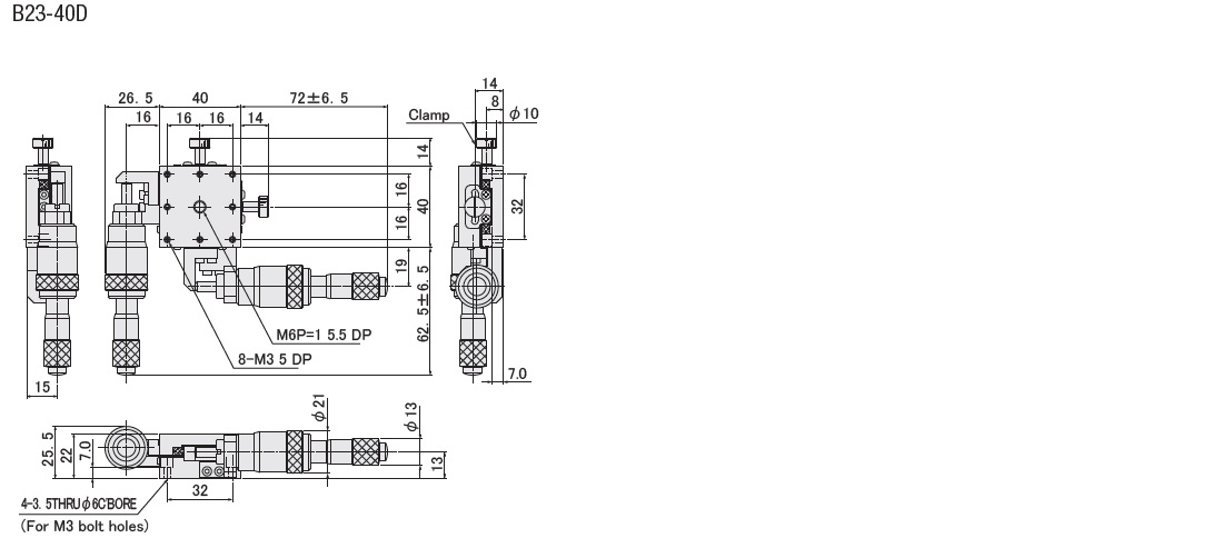
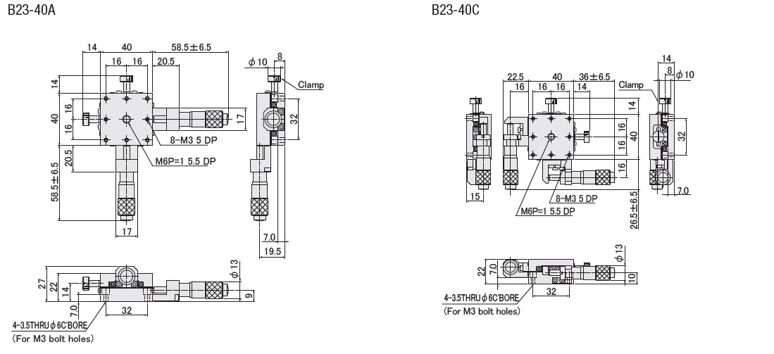
Model ★★★
Added to Quotation Request List
To request a quotation, please specify the size below and click the "Add to Quotation Request List" button.
Format Please Select Download
Logout
Membership registration is required to generate and download CAD data.
Enter your email address to receive a password reset link.
E-mail address Submit