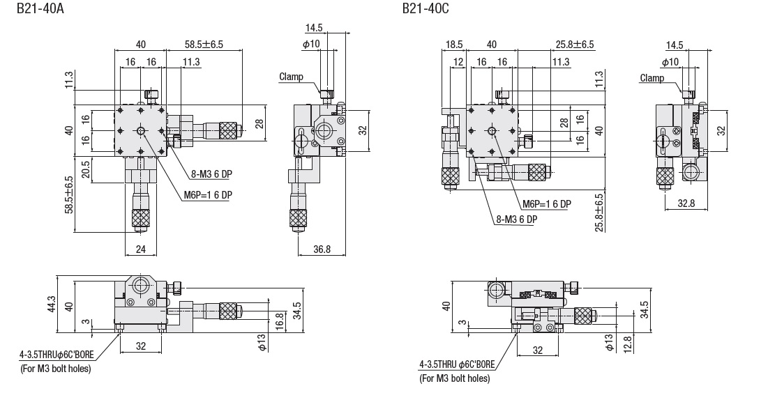
XY-AxisCross Roller Guide□40mm:B21-40

-Results

Dimensions

Page top