Spec
Add to List| Basic items | Model | SXM4510C-T3BE-D3E-3-N-L-490 |
|---|---|---|
| CAD | ||
| List Price (1Qty) | INQUIRY | |
| RoHS | Supporting RoHS 10 substance | |
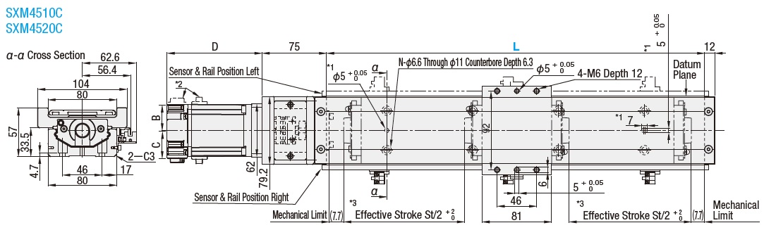
| Basic specification I | Table surface height [mm] | 57 |
| Cover | Available | |
| Ball screw φ diameter-lead [mm] |
φ15 (grinding) lead 10 | |
| Basic specification II | Effective stroke[mm] | 350 |
| Base Length[mm] | 490 | |
| Base width [mm] | 80 | |
| Motor | Type-output | Stepping motor-αStep |
| Brake | Available | |
| Amplifier/Driver | Select: Amplifier/Driver | Available |
| Input power | Single-phase AC100V | |
| Motor/Amplifier/Driver | Motor model | ARM66MC |
| Amplifier/Driver model number | ARD-A | |
| Set model number | AR66MA | |
| Cable | Select: Cable | Available(3m) |
| Sensor | Number of sensors | None |
| Sensor rail position | L | |
| Accuracy specification | Repeatability positioning accuracy[mm] | ±0.003 |
| Positioning accuracy[mm] | 0.025 | |
| Running Parallelism[mm] | 0.015 | |
| Backlash[mm] | 0.003 | |
| MAX Speed : Horizontal[mm/sec]※ |
200 | |
| MAX Speed : Vertical[mm/sec]※ |
175 | |
| Payload: Horizontal[kg]※ | 40 | |
| Payload: Vertical[kg]※ | 16 | |
| Allowable Static Moment: Pitch[N・m]※ | 291 | |
| Allowable Static Moment: Yaw[N・m]※ | 291 | |
| Allowable Static Moment: Roll[N・m]※ | 972 | |
| Body weight[kg]※ | 9 | |
| remarks | ※Payload/MAX speed | <Mitsubishi Electric AC Servo Motor Specifications> This is a reference value based on verification and may vary depending on driving conditions. Horizontal values are for non-brake motors, and vertical values are for brake-equipped motors. or deceleration distance: 25mm each |
| ※Body weight | Total weight of actuator, coupling, sensor rail, 3 sensors, and dog (light shielding plate). |



