SX4510-B1-A4538-340-SP2(Motorless(Straight):SX45)

Spec

Add to List
Basic items Model SX4510-B1-A4538-340-SP2
CAD
List Price (1Qty) INQUIRY
RoHS Supporting RoHS 10 substance
Basic specification I Table surface height [mm] 45
Cover None
Accuracy Advanced
Ball screw φ diameter-lead
[mm]
φ15 Lead 10
Grease: Type Standard
Grease: lubrication unit None
Basic specification II Block×Unit Long×1pc
Effective stroke[mm] 210.4
Base Length[mm] 340
Base width [mm] 80
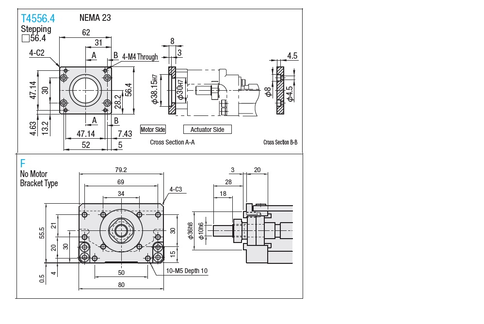
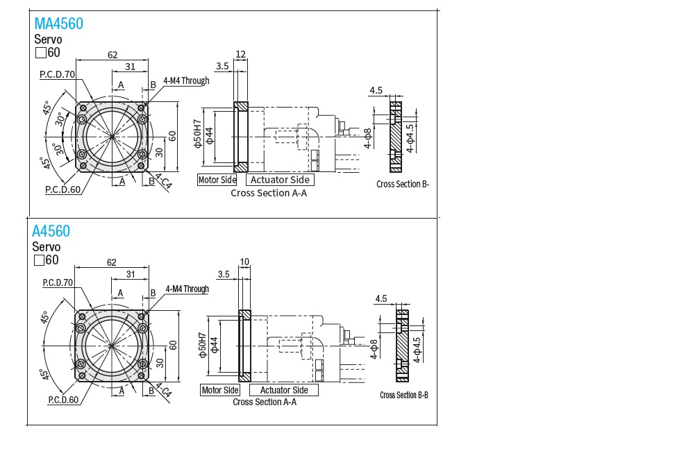
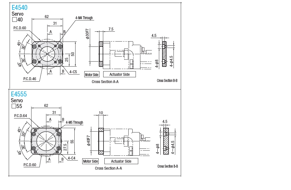
Motor attachment Motor attachment type Servo motor:□38
Sensor Sensor option Available
Sensor type Photosensor type(manufactured by Sunx)
Sensor model/quantity PM-L25・2pcs
Accuracy specification Repeatability positioning accuracy[mm] ±0.005
Positioning accuracy[mm] 0.1
Running Parallelism[mm] 0.035
Starting Torque[N・cm] 10
MAX Speed[mm/sec]※ 550
Allowable moment: Pitch[N・m]※ 291
Allowable moment: Yaw[N・m]※ 291
Allowable moment: Roll[N・m]※ 972
Total Weight[kg]※ 5.77
Accessory Motor attachment Material:A5052 Process: Black alumite
Attachment mounting screw 4pcs Material: SUSXM7
<MAX speed>
Reference value calculated from critical speed of ball screw and DN value.
Please note that these values are not guaranteed values that take into consideration the number of revolutions of the motor, operating conditions, etc.

<Allowable Moment>
This is a reference value for static cases.

Dimensions

Motor attachment

Sensor

Page top