SURUGA SEIKI Co,Ltd.
日本語
简体中文
繁体中文
HOME
製品情報
ユーザサポート
NEWS
お見積
お問合せ
会社情報
製品のお問合せ
お見積・ご注文
カタログ請求
カタログDOWNLOAD
CADデータDOWNLOAD
サンプルプログラム
取扱説明書DOWNLOAD
HOME
>
Manual Stage
>
Manual Rotary Stage
>
Manual Rotary Stage
>
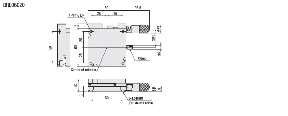
Rotation Stage(Fitting type)□60mm:BRE06
PRODUCTS
Prefix matching
Perfect matching
製品情報
新製品情報
お見積りとご注文について
お問合せについて
TEL:0120-789-446 FAX:0120-789-449
info@suruga-g.co.jp
お見積依頼フォーム
ご注文についてのご案内
TEL:0120-789-446 FAX:0120-789-449
info@suruga-g.co.jp
お問合せフォーム
FAQ よくあるご質問
Manual Stage
Manual Rotary Stage
Manual Rotary Stage
Rotation Stage
(Fitting type)
□60mm:BRE06
Dimensions
Spec
Stage surface size
60×60mm
Travel distance
±10°
Load capacity[kgf]
3
Guide
Alignment method
body color
Black
Feeding type
Micrometer
Main material
Aluminum
Option
Relevant product
Spec List
preview
next
Model
Stage surface size
Travel distance
Load capacity[kgf]
Guide
body color
Feeding type
Main material
Surface finishing
Micrometer minimum reading
[≒″/scale]
Parallelism of travel[within μm]
Weight[kg]
CAD
Qty
Estimate
BRE06020
60×60mm
±10°
3
Alignment method
Black
Micrometer
Aluminum
Black alumite finishing
72
50
0.26
PAGETOP